LED驅動電路配套貼片功率電感
                            2020-03-26 13:07:21
                            admin
                            
                                
                                734                            
                        
                    生產LED驅動電路的客戶聯系上谷景電子,詢問兩款貼片功率電感。
GNR5040NT4R7,電感尺寸參數:5.0*5.0*4.0,電感量:4.7uH±30%,電阻值:57mΩ,額定電流量:2.2A。
GNR4020MT150,電感尺寸參數:4.0*4.0*2.0,電感量:15uH±20%,電阻值:230mΩ,額定電流量:1.35A。

這兩款貼片功率電感并非使用在同一組電路環境之中,從兩款電感的參數性能中便能看出端倪。
貼片功率電感GNR5040NT4R7在尺寸參數上相對較大,并不適用于有明確低高度限制的電路板,但是貼片功率電感GNR5040NT4R7卻能使用在2.2A電流相對較大的電路環境之中。而貼片功率電感GNR4020MT150正好相反,可以使用在有一定高度限制的電路環境之中,但是只支持1.35A的電流環境。
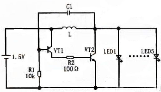
谷景電子了解到一款使用到貼片功率電感的電路圖,貼片功率電感在其中起到儲能和能放作用:

1.儲能作用,當電路通電后,電流將從正極流經貼片功率電感L、VT2(c)極到e極,流回電源負極,電源對貼片功率電感L充電,貼片功率電感L儲存能量,并且具備自感電動勢。
2.能放作用,經過一段時間,VT1基極電位再次上升,隨后迅速截止,VT2也截止,貼片功率電感L之前儲存的能量釋放,發光管上的電源電壓加到貼片功率電感L上產生了自感電動勢,達到升壓的目的,確保LED的發光。
蘇州谷景電子有限公司,專注于設計、研發、銷售高品質功率繞線電感,高頻電感,鐵氧體電感以及相關安規器件電感,并提供完善的技術服務與專業的解決方案。
編:Bouquet